進膠系統(tǒng)

3.1 進膠系統(tǒng)選擇原則:
1、 塑件外觀 設置澆注系統(tǒng)時應考慮到去除、修整進料口方便,同時不影響塑件外表美觀;
2、 在滿足塑膠成型與與排氣良好的情況下,要選取最短的流程,這樣可縮短填充時間;
3、 澆口的位置應保證塑膠流入型腔時,對著型腔中寬暢,厚壁部位,以便于塑膠的流入;
3.2 澆注系統(tǒng)設計標準
3.2.1 主流道:
主流道為直接與注射機的噴嘴連接的部分。熔體從噴嘴中以一定的動能噴出。由于熔體在料筒內已被壓縮,此時
流入模具的空腔內,其體積必然要脹大,流速也略為減小。
主流道尺寸關系如下圖所示:

3.2.2 分流道類型的選用及基本分布形式:
一、 流道類型
常用的分流道截面形狀有圓形、梯形、 U形幾種形式。分流道截面形狀應考慮壓力損失、熱量損失較少和易于加
工的要求。從壓力損失、熱量損失的角度來講,截面周長與截面面積之比越小越好。
① 圓形分流道——熱量及壓力損失最少,效率最高,是使用最應泛的流道。
② 梯形分流道——熱量及壓力損失較少,效率較高,常用于細水口模具,斜度a為20度,其它尺寸見下表:

③ U形分流道——其優(yōu)點和缺點介于圓形和梯形流道之間,常用于分型面不是平面時。這種流道加工較方便。高
度為底部R的二倍,斜度a一般為20度
二、 分流道的布置:
1、 多型腔設計時,最好采用均等對稱的布置,使各型腔同時被填充。如下圖所示,圖(a)~(e)為平衡分布,各
個型腔都能同時填充;圖(f)~(i)為不平衡分布,必須采用戶進料口平衡措施才可達到填充平衡;

2、 頂針上做勾針常用方式如下圖所示;

3、 澆口位置的選擇
澆口位置的選擇對制品的質量影響很大,在確定澆口時, 應注意以下幾點:
①. 澆口應開在能使型腔各個角落同時充滿的位置。
②. 澆口應設在制口壁厚的部位,以利于補縮。
③. 澆口位置選擇應有利于型腔中氣體的排除。
④. 澆口位置應選擇在能避免制品產生熔接線的部位。
⑤. 對于帶細長型心的模具,宜采用中間頂部進料方式,以避免型心受沖擊變形。
⑥. 澆口應設在不影響制品外觀的部位。
⑦. 不要在制品中承受彎曲載荷或沖擊載荷的部位設置澆口。
3.3 澆注系統(tǒng)常用標準件
1、 定位圈選用正鋼標準件;
2、 唧嘴選用正鋼標準件;
3、 細水口唧嘴參照DME標準;
常見澆口的類型及尺寸計算
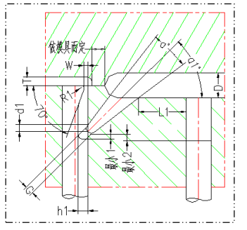
1、潛伏澆口

特點: 澆口自剪切,無需后期加工;不影響制品
外觀,但澆口加工困難。
計算方法: L1=1.5*D~2*D(此尺寸需保證澆口有彎曲空間)
a1=35~45°,a=15~30°
W=0.5T
d1=最小0.5G, G=T/2(1.5~3.0)
h1=2.0~2.4t
備注: 應用于多型腔,塑件外觀不允許有任何痕跡的場合。
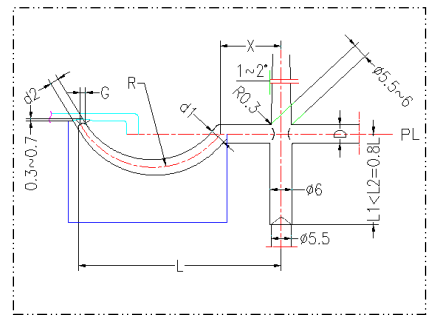
2、香蕉型澆口

特點:澆口自剪切,無需后期加工;不影響制品外觀,需
增加澆口鑲件。
計算方法: X=2.5D 或>15.0mm
D=4~6mm
d1=0.8D d2≥2.5mm(逐漸過渡)
R=3*d1 或10~25mm
d1~d2 的變化角度在 3~5 度之間,澆口 G 根據制件大小
和塑料的粘度而定(一般 1.5~3mm) 。
備注:應用于多型腔,塑件外觀不允許有任何痕跡的場合。